Ricetrasmettitore SFP DWDM da 1,25 Gb/s e 40 km

Ricetrasmettitore SFP DWDM da 1,25 Gb/s e 40 km

Applicazioni:

  • Fibre Channel 1G
  • Reti DWDM
  • Fibre Channel
  • Dettagli del prodotto

Ricetrasmettitore SFP DWDM da 1,25 Gb/s e 40 km

Hot Pluggable, Duplex LC, +3.3V, 100GHz, DWDM COOLED DFB&PIN, Modalità singola

1.25Gb/s 40km DWDM SFP Transceiver

Caratteristiche:

  • Collegabile a caldo
  • Connettore LC duplex
  • Velocità di trasmissione dati fino a 2,67 Gb/s
  • Griglia ITU a 100 GHz, banda C
  • Trasmettitore DWDM COOLED DFB, fotorivelatore PINTIA
  • Collegamenti SMF fino a 40 km
  • Interfaccia a 2 fili per specifiche di gestione conformi allo standard SFF 8472 per l'interfaccia di monitoraggio diagnostico digitale.
  • Alimentazione: +3,3 V
  • Consumo energetico <1,5 W
  • Intervallo di temperatura: 0~ 70°C
  • Conforme alla direttiva RoHS

Descrizione:

Il modulo RSPD-03D40-Cxx di FIBERWDM è un ricetrasmettitore ottico da 1,25 Gb/s estremamente compatto, ideale per applicazioni di comunicazione ottica seriale a 1,25 Gb/s. L'RSPD-03D40-Cxx converte un flusso di dati elettrici seriali da 1,25 Gb/s in un segnale ottico di uscita da 2,67 Gb/s e un segnale ottico di ingresso da 1,25 Gb/s in flussi di dati elettrici seriali da 1,25 Gb/s. L'interfaccia elettrica ad alta velocità da 2,67 Gb/s è pienamente conforme alle specifiche SFI.

Il trasmettitore DWDM COOLED DFB ad alte prestazioni e il ricevitore PINTIA ad alta sensibilità offrono prestazioni superiori per applicazioni Ethernet su collegamenti fino a 80 km.

Il modulo SFP è conforme agli standard SFF-8431 e SFF-8432. Le funzioni di diagnostica digitale sono disponibili tramite un'interfaccia seriale a 2 fili, come specificato nello standard SFF-8472.

Il fattore di forma completamente conforme allo standard SFP offre funzionalità hot-plug, facili aggiornamenti delle porte ottiche e basse emissioni EMI.

Valori massimi assoluti

Parametro Simbolo Min. Tipico Massimo. Unità
Temperatura di conservazione TS -40 +85 °C
Temperatura di esercizio del contenitore TA 0 70 °C
Tensione di alimentazione massima Vcc -0,5 4 V
Umidità relativa RH 0 85 %

Caratteristiche elettriche (TOP = da 0 a 70 °C, VCC = da 3,135 a 3,465 Volt)

1.25g sfp transceiver

Nota:

1. Collegato direttamente ai pin di ingresso dati TX. Accoppiamento CA dai pin al circuito integrato del driver laser.

2. Secondo SFF-8431 Rev 3.0

3. Terminazione differenziale da 100 ohm.

4. 20%~80%

5. LOS è un'uscita open collector. Deve essere pull-up con una resistenza da 4,7 kΩ a 10 kΩ sulla scheda host. Il funzionamento normale è a livello logico 0; la perdita di segnale è a livello logico 1. La tensione di pull-up massima è di 5,5 V.

Parametri ottici (TOP = da 0 a 70 °C, VCC = da 3,135 a 3,465 Volt)

1.25g sfp transceiver

Nota:

1. I valori medi di potenza sono solo a scopo informativo. Fibre Channel

2. Riflessione di 12 dB.

3. Sovraccarico del ricevitore specificato in OMA e nelle peggiori condizioni di stress complessivo.

Caratteristiche temporali

1.25g sfp transceiver

Assegnazione dei pin

Schema dei numeri e dei nomi dei pin del blocco connettori della scheda host

1.25g sfp transceiver

Definizioni delle funzioni dei pin

40km DWDM SFP Transceiver

Nota:

1. I pin di massa del modulo devono essere isolati dall'involucro del modulo.

2. Questo pin è un pin di uscita open collector/drain e deve essere pull-up con una resistenza da 4,7 kΩ a 10 kΩ verso Host_Vcc sulla scheda host.

3. Questo pin deve essere collegato a VccT nel modulo con una resistenza di pull-up compresa tra 4,7 kΩ e 10 kΩ.

4. Questo pin è un pin di uscita open collector/drain e deve essere pull-up con una resistenza da 4,7 kΩ a 10 kΩ verso Host_Vcc sulla scheda host.

Informazioni e gestione della EEPROM del modulo SFP

I moduli SFP implementano il protocollo di comunicazione seriale a 2 fili come definito nello standard SFP-8472. Le informazioni sull'ID seriale dei moduli SFP e i parametri del Digital Diagnostic Monitor (DDM) sono accessibili tramite l'interfaccia I2C agli indirizzi A0h e A2h. La mappatura della memoria è riportata nella Tabella 1. Le informazioni dettagliate sull'ID (A0h) sono elencate nella Tabella 2. Le specifiche DDM sono presenti all'indirizzo A2h. Per maggiori dettagli sulla mappatura della memoria e sulle definizioni dei byte, fare riferimento allo standard SFP-8472, "Digital Diagnostic Monitoring Interface for Optical Transceivers". I parametri DDM sono stati calibrati internamente.

Tabella 1. Mappa della memoria diagnostica digitale (descrizioni specifiche dei campi dati)

40km DWDM SFP Transceiver

Tabella 2 - Contenuto della memoria ID seriale EEPROM (A0h)

40km DWDM SFP Transceiver

Caratteristiche del monitor diagnostico digitale

40km DWDM SFP Transceiver

Conformità normativa

Il modello RSPD-03D40-Cxx è conforme ai requisiti e agli standard internazionali di compatibilità elettromagnetica (EMC) e di sicurezza (vedere i dettagli nella tabella seguente).

40km DWDM SFP Transceiver

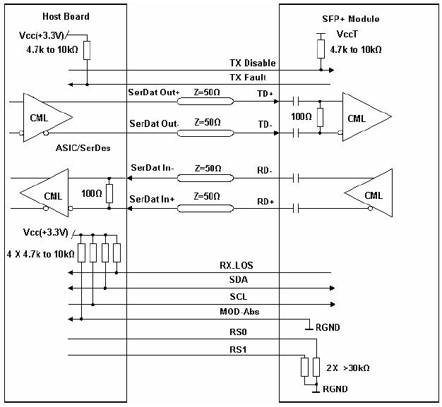
Circuito consigliato

1.25Gb/s 40km DWDM SFP Transceiver

Circuito di alimentazione della scheda host consigliato

1.25Gb/s 40km DWDM SFP Transceiver

Circuito di interfaccia ad alta velocità consigliato

Dimensioni meccaniche

1.25Gb/s 40km DWDM SFP Transceiver

Informazioni sull'ordine:

1.25Gb/s 40km DWDM SFP Transceiver 1.25Gb/s 40km DWDM SFP Transceiver

Vuoi saperne di più su questo prodotto?

INVIA UN Messaggio
lasciate un messaggio

Se .Sei interessato ai nostri prodotti e vuoi sapere più dettagli, ti preghiamo di lasciare un messaggio qui, ti risponderemo non appena saremo

Prodotti correlati
1.25G SFP  Transceiver 1,25 g . SFP .ottico ricetrasmettitore
1,25 g SFP .ottico ricetrasmettitore Modulo, supporto 1,25 GB / S e una trasmissione fino a 120 km, tra cui: SFP .SR, SFP LR, SFP ER, SFP + Zr, ecc.Funziona ad alta velocità IDC Soluzioni di connessione, interruttore di rete, PTN, OTN e così su.
1.25G SFP  Transceiver 1,25 g . DWDM . SFP .ottico ricetrasmettitore
1,25 g . SFP .ottico ricetrasmettitore Modulo, supporto 1,25 GB / S e una trasmissione fino a 120 km, tra cui: SFP .SR, SFP LR, SFP ER, SFP + Zr, ecc.Funziona ad alta velocità IDC Soluzioni di connessione, interruttore di rete, PTN, OTN e così on.
1.25G SFP  Transceiver 1,25 g . CWDM . SFP .ottico ricetrasmettitore
1,25 g . SFP .ottico ricetrasmettitore Modulo, supporto 1,25 GB / S e una trasmissione fino a 120 km, tra cui: SFP .SR, SFP LR, SFP ER, SFP + Zr, ecc.Funziona ad alta velocità IDC Soluzioni di connessione, interruttore di rete, PTN, OTN e così on.
1.25G SFP  Transceiver 1,25 g Bidi . SFP .ottico ricetrasmettitore
1,25 g SFP .ottico ricetrasmettitore Modulo, supporto 1,25 GB / S e una trasmissione fino a 120 km, tra cui: SFP .SR, SFP LR, SFP ER, SFP + Zr, ecc.Funziona ad alta velocità IDC Soluzioni di connessione, interruttore di rete, PTN, OTN e così su.
China SFP 1.25G 1270-1610nm CWDM 200KM DDM Optical Transceiver Ricetrasmettitore ottico SFP 1.25G 1270-1610nm CWDM 200KM DDM
Modulo ricetrasmettitore ottico SFP da 1,25 G, supporta 1,25 Gb/s e trasmissione fino a 200 km Caratteristiche: Collegamenti dati fino a 1,25 Gb/s Collegabile a caldo Connettore LC duplex Fino a 200 km su 9/125μm SMF Trasmettitore laser 1270~1610nm CWDM DFB Ricevitore APD Alimentatore singolo da +3,3 V Interfaccia di monitoraggio conforme a SFF-8472 Potenza massima <1W Intervallo di temperatura di esercizio commerciale: da -0°C a 70°C Versione disponibile Conforme a RoHS e senza piombo Applicazioni: Metropolitana/reti di accesso Ethernet 1000Base-EZX da 1,25 Gb/s 1 × canale in fibra Altri collegamenti ottici
SFP 1.25G DWDM 180KM Transceiver Ricetrasmettitore ottico SFP 1.25G C17-C61 DWDM 180KM DDM
Modulo ricetrasmettitore ottico SFP da 1,25 G, supporta 1,25 Gb/s e trasmissione fino a 180 km Caratteristiche: Collegabile a caldo Connettore LC duplex Velocità dati fino a 1,25 Gb/s Rete ITU da 100 GHz, banda C Trasmettitore DFB DWDM COOLED, fotorilevatore APD SMF collega fino a 180 km Interfaccia a 2 fili per specifiche di gestione conformi all'interfaccia di monitoraggio diagnostico digitale SFF 8472 Alimentazione: + 3,3 V Consumo energetico <1,5 W Intervallo di temperatura: 0~ 70°C A norma RoHS Applicazioni: Canale in fibra 1G Reti DWDM Canale in fibra
China SFP 1.25G 1550nm 200KM DDM Optical Transceiver Ricetrasmettitore ottico SFP 1.25G 1550nm 200KM DDM
Modulo ricetrasmettitore ottico SFP da 1,25 G, supporta la trasmissione da 1,25 Gb/s a 200 km, funziona in soluzioni di connessione IDC ad alta velocità, switch di rete, PTN, OTN e così via. Caratteristiche: Collegamenti dati fino a 1,25 Gb/s Collegabile a caldo Connettore LC duplex Fino a 200 km su 9/125 μm SMF Trasmettitore DFBlaser RAFFREDDATO 1550nm Ricevitore APD Alimentatore singolo da +3,3 V Interfaccia di monitoraggio conforme a SFF-8472 Potenza massima <1,5 W Intervallo di temperatura di esercizio: commerciale: da 0°C a 70°C, industriale: da -40°C a +85°C Conforme a RoHS e senza piombo Applicazioni: Metropolitana/reti di accesso Ethernet 1000Base-EZX da 1,25 Gb/s 1 × canale in fibra Altri collegamenti ottici
China SFP 1.25G 1270-1610nm CWDM 150KM DDM Optical Transceiver Ricetrasmettitore ottico SFP 1.25G 1270-1610nm CWDM 150KM DDM
Modulo ricetrasmettitore ottico SFP da 1,25 G, supporta 1,25 Gb/s e trasmissione fino a 150 km Caratteristiche: Collegamenti dati fino a 1,25 Gb/s Collegabile a caldo Connettore LC duplex Fino a 150 km su 9/125μm SMF Trasmettitore laser 1270~1610nm CWDM DFB Ricevitore APD Alimentatore singolo da +3,3 V Interfaccia di monitoraggio conforme a SFF-8472 Potenza massima <1W Intervallo di temperatura di esercizio commerciale: da -0°C a 70°C Versione disponibile Conforme a RoHS e senza piombo Applicazioni: Metropolitana/reti di accesso Ethernet 1000Base-EZX da 1,25 Gb/s 1 × canale in fibra Altri collegamenti ottici
lasciate un messaggio
lasciate un messaggio
Se .Sei interessato ai nostri prodotti e vuoi sapere più dettagli, ti preghiamo di lasciare un messaggio qui, ti risponderemo non appena saremo

Casa

Prodotti

Di

contatto