Rilevatore di unità a doppio canale da 10 kHz PDA1000-2

Questa serie di rilevatori ha sostanzialmente lo stesso metodo di utilizzo dei rilevatori unitari di Thorlabs e Newport, e le loro interfacce di alimentazione sono completamente identiche. Quando l'uscita Monitor (disponibile su alcuni prodotti di Thorlabs e Newport) non è richiesta e la larghezza di banda è la stessa, può essere sostituita direttamente, con prestazioni sotto tutti gli aspetti non inferiori a quelle di prodotti simili di Thorlabs e Newport. Oltre ai rilevatori con specifiche esistenti, forniamo anche servizi personalizzati. Possiamo regolare vari indicatori del rilevatore (come tensione di alimentazione, guadagno, larghezza di banda, ecc.) in base alle esigenze del cliente per soddisfare i requisiti.

  • Dettagli del prodotto

Fotoricevitore amplificato

Rilevatore di unità a doppio canale da 10 kHz PDA1000-2

Istruzioni per l'uso

Descrizione dell'aspetto e dell'interfaccia

L'aspetto del modulo è mostrato nella figura sottostante:

Dual-Channel 10KHz Unit Detector

Figura 2-1 Diagramma dell'aspetto del modulo del rilevatore

Tra queste, l'interfaccia di sinistra è l'interfaccia di ingresso ottico (FC), quella in alto a destra è l'interfaccia di ingresso di alimentazione (M8) e quella in basso a destra è l'interfaccia di uscita del segnale (SMA).

Il cavo di alimentazione personalizzato è mostrato nella figura sottostante:

Dual-Channel 10KHz Unit Detector

Figura 2-2 Cavo di alimentazione corrispondente

L'estremità sinistra nell'immagine è quella di collegamento con il modulo rivelatore, su cui è applicata un'etichetta che indica il metodo di collegamento dei tre cavi di alimentazione sulla destra. Il cavo è in PVC, con una corrente massima di 3 A e un diametro di 24 AWG. La sua definizione dei pin è perfettamente coerente con quella dei cavi di alimentazione dei moduli rivelatori di Thorlabs e Newport e può essere utilizzata in modo intercambiabile.

Istruzioni elettriche

1. Prodotti a doppia alimentazione: ±12 V (marrone-rosso: +12 V, filo nero: GND, filo blu: -12 V). Per i prodotti con una larghezza di banda di 300 MHz e inferiore, la tensione di alimentazione minima può essere di soli ±8 V e la massima non deve superare ±15 V (in caso di incongruenze tra l'etichetta del rilevatore e queste istruzioni, prevarranno queste ultime). Per i prodotti con una larghezza di banda superiore a 1 GHz, la tensione di alimentazione non deve superare ±12 V. Inoltre, è possibile acquistare il modulo di alimentazione switching Honghai JMD10-D12 come modulo di alimentazione di prova. Questo modulo può garantire le prestazioni del rilevatore in ambienti interni; per l'uso in ambienti esterni, si prega di valutarlo autonomamente. La corrente del modulo rilevatore durante il normale funzionamento è inferiore a 100 mA. Gli utenti di laboratorio possono provare il nostro alimentatore lineare.

Prodotti con alimentazione singola: 5 V-12 V (marrone-rosso: +12 V, filo nero: GND, filo blu: flottante). La corrente del modulo rilevatore durante il normale funzionamento è inferiore a 100 mA.

2. Interfaccia di uscita: SMA (connettore femmina);

3. Impedenza di uscita: 50 ohm;

4. Tensione massima di uscita:

Prodotti inferiori a 500 MHz: ±3,6 V (@High Z), ±1,8 V (@50 ohm);

Prodotti con 1 GHz (incluso) e oltre: ±1 V (@50 ohm).

5. Intervallo di risposta spettrale: 900nm-1700nm;

6. Reattività del rilevatore: >0,95 A/W a 1550 nm;

7. L'ampiezza dell'ingresso ottico non deve superare la potenza ottica di saturazione (potenza di saturazione).

Parametri di prestazione

Istruzioni per il test delle prestazioni:

1. A causa delle diverse condizioni del connettore FC della sorgente luminosa di prova, la perdita di inserzione di ciascun rilevatore è incoerente e i risultati del test della risposta del rilevatore saranno leggermente diversi;

2. Il guadagno di transimpedenza del rivelatore viene calcolato quando il carico di uscita è ad alta impedenza. Se il carico di uscita è 50 Ω, il guadagno verrà ridotto alla metà del valore nominale;

3. I risultati delle misurazioni del rumore del rivelatore e del tempo di salita sono ottenuti nelle seguenti condizioni:

a: L'impedenza di ingresso dell'oscilloscopio è 50Ω;

b: La larghezza di banda dell'oscilloscopio è la larghezza di banda completa (≥1GHz);

c: La divisione del tempo dell'oscilloscopio è impostata su 100 ns/div (Nota: il rumore varierà notevolmente con diverse divisioni del tempo);

4. Temperatura ambiente di prova: 23℃±5℃;

5. Umidità relativa di prova: 35%±15%;

6. Tensione di lavoro di prova: ±12V;

Parametri di prova tipici del rilevatore di unità (PDA1055H)

Modello PDA1000-2
Gamma di lunghezza d'onda 900-1700 nm
Larghezza di banda di 3 dB 10 kHz
Guadagno di conversione 2,5x10 6 V/A
Rumore complessivo della tensione di uscita 1,3 mVRMS
Potenza di saturazione 4,8 uW
Reattività massima tipica 1 A/W a 1550 nm
Impedenza di uscita 50Ω
Massima potenza in uscita 1,0 V a 50 Ω
Potenza incidente (max) 5 mW
Materiale/tipo di rilevatore InGaAs/PIN
Diametro del rilevatore 75μm
Ingresso ottico FC/PC o FC/APC o spazio libero
Potenza elettrica SMA
Dimensione del pacchetto 60 mm × 58 mm × 24 mm
Requisiti di alimentazione ±12 V, 50 mA

Figura 3-1 Riepilogo delle prestazioni elettriche

Time-domain Noise Level (Blue and red lines are the noise of the two channels respectively)

Figura 3-2 Livello di rumore nel dominio del tempo (le linee blu e rosse rappresentano rispettivamente il rumore dei due canali)

Input Optical Pulse Response

Figura 3-3 Risposta all'impulso ottico di ingresso

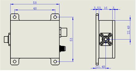
Dimensioni meccaniche

Mechanical Dimension Diagram of Unit Detector Module

Figura 4-1 Diagramma delle dimensioni meccaniche del modulo del rilevatore di unità

Unità: mm

Vuoi saperne di più su questo prodotto?

INVIA UN Messaggio
lasciate un messaggio

Se .Sei interessato ai nostri prodotti e vuoi sapere più dettagli, ti preghiamo di lasciare un messaggio qui, ti risponderemo non appena saremo

Prodotti correlati
400G QSFP112 SR4,Optical Transceiver Module 400G QSFP112 SR4
I moduli transceiver QSFP112 SR4 da 400G sono progettati per l'utilizzo in collegamenti Ethernet da 400 Gigabit su fibra multimodale OM4 fino a 100 m. Sono conformi agli standard QSFP112 MSA e IEEE 802.3db. Il transceiver ottico è conforme alla direttiva RoHS.
Single fiber 100G DWDM MUX DEMUX Fibra singola 20CH (40 onde) DWDM MUX DEMUX, con filtro RB
IL<3.5dB, 100GHZ DWDM MUX DEMUX, tecnologia AAWG Multiplexing di 20 canali su una singola rete Bidi in fibra con filtro rosso e blu per applicazioni a lunga distanza Dispositivi passivi, nessuna alimentazione, nessun raffreddamento richiesto Supporta reti DWDM metropolitane, regionali e a lungo raggio
4CH WDM LGX BOX Plug in 4-Slot 1U Rack 4CH WDM GPON XGS-PON NG-PON2 e RF Video Plug-in LGX Box 215*150*20MM
Nell'era della trasformazione digitale, la domanda di reti di comunicazione ad alta velocità, affidabili e flessibili ha raggiunto un livello senza precedenti. Le reti ottiche passive (PON) si sono affermate come un pilastro dell'infrastruttura di comunicazione contemporanea, supportando una vasta gamma di applicazioni, che spaziano dalla banda larga residenziale alle reti di livello aziendale, estendendosi ulteriormente a casi d'uso più ampi. Per soddisfare i requisiti di larghezza di banda in continua crescita e garantire implementazioni di rete a prova di futuro, l'integrazione di 4CH WDM (Four-Channel Wavelength Division Multiplexing) con tecnologie chiave tra cui GPON, XGS-PON, NG-PON2 e RF Video offre una soluzione completa. Questa integrazione non solo massimizza l'utilizzo della fibra ottica, ma aumenta anche significativamente le capacità di erogazione dei servizi.
Splitter PLC 2X8 SC/APC Plug-in LGX Box Splitter PLC 2X8 SC/APC Plug-in LGX Box 215*150*20MM
Applicazioni Sistemi FTTx Reti LAN, WAN e Metro Reti ottiche passive analogiche/digitali Reti CATV Altre applicazioni nei sistemi in fibra ottica
100G QSFP28 ER4 ricetrasmettitore ottico 100G QSFP28 ER4 40Km 1310nm LC
Modulo ricetrasmettitore ottico 100G QSFP28 ER4, supporta 100 Gb/s e fino a 40 km di trasmissione su fibra SM, funziona in soluzioni di connessione IDC ad alta velocità e così via. Caratteristiche: Design MUX/DEMUX a 4 corsie Supporta 100GBASE-ER4 per una velocità di linea di 103,125 Gbps. LAN WDM TOSA / ROSA integrata per una portata fino a 40 km su SMF. Larghezza di banda aggregata >100 Gbps Connettori LC duplex Conforme allo standard IEEE 802.3-2012 Clausola 88 Standard IEEE 802.3bm CAUI-4 da chip a modulo standard elettrico ITU-T G.959.1-2012-02· Singolo alimentatore +3,3V funzionante Funzioni diagnostiche digitali integrate Intervallo di temperatura da 0°C a 70°C Parte conforme alla RoHS Supporto FEC (correzione errori in avanti)
 POB Series Single-Mode 4-Channel Parallel Optical Transceiver Module . Modulo transceiver ottico parallelo monomodale a 4 canali serie POB
Il modulo transceiver ottico parallelo monomodale della serie POB è progettato per la comunicazione dati ad alta velocità a lunga distanza e per interconnessioni ottiche parallele in applicazioni quali backplane ottici, connessioni server-storage e sistemi di elaborazione radar. È caratterizzato da basse radiazioni elettromagnetiche e da elevate capacità anti-interferenza. Il modulo ha dimensioni compatte di 27 mm × 27 mm × 7,8 mm, utilizza un connettore LGA (Land Grid Array) 10×10 pin per l'interfacciamento elettrico e supporta un connettore ottico MPO standard a innesto. La temperatura di esercizio varia da -40 °C a +85 °C, con velocità di trasmissione a singolo canale fino a 10,3125 Gbps e una distanza massima di trasmissione di 10 km.
China SFP 1.25G 1270-1610nm CWDM 150KM DDM Optical Transceiver Ricetrasmettitore ottico SFP 1.25G 1270-1610nm CWDM 150KM DDM
Modulo ricetrasmettitore ottico SFP da 1,25 G, supporta 1,25 Gb/s e trasmissione fino a 150 km Caratteristiche: Collegamenti dati fino a 1,25 Gb/s Collegabile a caldo Connettore LC duplex Fino a 150 km su 9/125μm SMF Trasmettitore laser 1270~1610nm CWDM DFB Ricevitore APD Alimentatore singolo da +3,3 V Interfaccia di monitoraggio conforme a SFF-8472 Potenza massima <1W Intervallo di temperatura di esercizio commerciale: da -0°C a 70°C Versione disponibile Conforme a RoHS e senza piombo Applicazioni: Metropolitana/reti di accesso Ethernet 1000Base-EZX da 1,25 Gb/s 1 × canale in fibra Altri collegamenti ottici
Mechanical Fiber Optical Switch 2x2 Bypass Mechanical Optical Switch
a basso costo senza pari, 2x2 Bypass Mechanical Optical Switch distorsioni ottiche basse Elevato isolamento alta affidabilità Senza epoxy Percorso ottico
lasciate un messaggio
lasciate un messaggio
Se .Sei interessato ai nostri prodotti e vuoi sapere più dettagli, ti preghiamo di lasciare un messaggio qui, ti risponderemo non appena saremo

Casa

Prodotti

Di

contatto