Ricetrasmettitore SFP+ DWDM FC da 16 Gbps, banda C, EML, portata 40 km

Ricetrasmettitore SFP+ DWDM FC da 16 Gbps, banda C, EML, portata 40 km

I transceiver SFP+ sono moduli ad alte prestazioni e convenienti che supportano una velocità di trasmissione dati di 16 Gbps e una distanza di trasmissione di 40 km con SMF.

Il ricetrasmettitore è composto da tre sezioni: un trasmettitore laser EML raffreddato, un fotodiodo PIN integrato con un preamplificatore a transimpedenza (TIA) e un'unità di controllo MCU. Tutti i moduli soddisfano i requisiti di sicurezza laser di Classe I.

I transceiver sono compatibili con SFP Multi-Source Agreement e con le funzioni di diagnostica digitale SFF-8472.

  • Dettagli del prodotto

Ricetrasmettitore SFP+ DWDM FC da 16 Gbps, banda C, EML, portata 40 km RSPD-16GD40-CXX

Caratteristiche del prodotto

  • Supporta velocità di trasmissione fino a 16 Gbps
  • Ingombro SFP+ hot-pluggable
  • Laser DWDM EML e fotodiodo PIN, fino a 40 km per trasmissione SMF
  • Conforme a SFP+ MSA e SFF-8472 con presa LC duplex
  • Compatibile con RoHS
  • Alimentazione singola +3,3V
  • Monitoraggio diagnostico digitale in tempo reale
  • Temperatura di funzionamento della custodia: Standard: da 0 a +70°C

Applicazioni

  • Canale in fibra 4.25/8.5/16G
  • Altri collegamenti ottici

SFP+ 16G FC DWDM 40KM

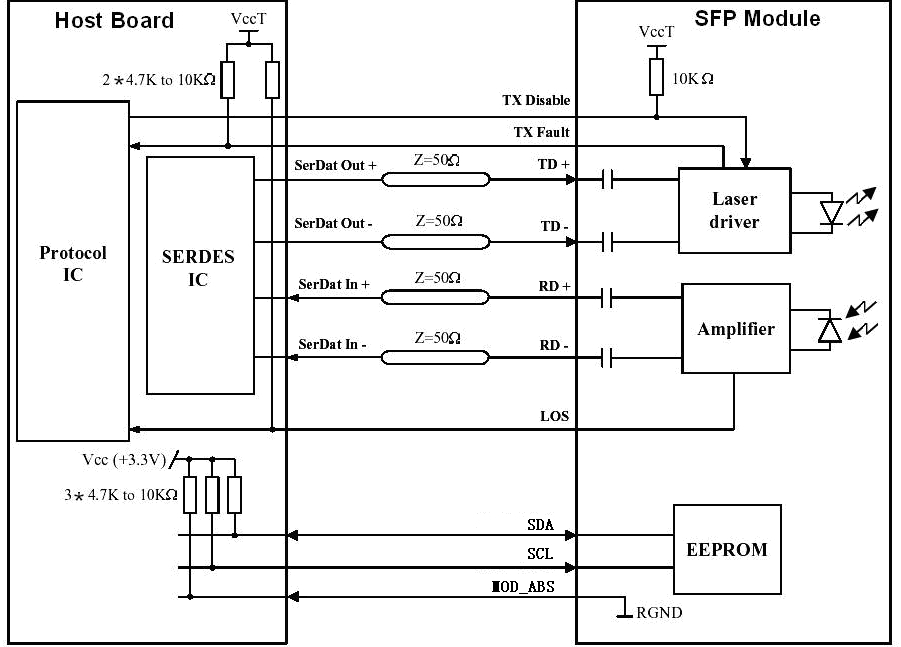
Diagramma funzionale del ricetrasmettitore

Valutazioni massime assolute

Parametro Simbolo Minimo Massimo Unità
Tensione di alimentazione Vcc -0,5 4.5 V
Temperatura di conservazione Ts -40 +85 °C
Umidità di esercizio 5 85 %

Condizioni operative consigliate

Parametro Simbolo Minimo Tipico Massimo Unità
Temperatura di funzionamento Tc 0 +70 °C
Tensione di alimentazione Vcc 3.135 3.30 3.465 V
Corrente di alimentazione Icc 550 mA
Velocità dati 4.25 16 Gbps

Caratteristiche ottiche ed elettriche

SFP+ 16G FC DWDM 40KM

Note:

1. La potenza ottica viene immessa in SMF.

2. Ingresso PECL, accoppiato e terminato internamente in CA.

3. Misurato con un PRBS 2 31 -1 modello di test a 16000 Mbps, BER ≤1×10 -12 .

4. Accoppiato internamente in CA.

Temporizzazione ed elettricità

SFP+ 16G FC DWDM 40KM

iDagnostics

16G FC DWDM SFP+ Transceiver

Mappa di memoria diagnostica digitale

I transceiver forniscono il contenuto della memoria ID seriale e informazioni diagnostiche sulle attuali condizioni operative tramite l'interfaccia seriale a 2 fili (SCL, SDA).

Vengono implementate tutte le informazioni diagnostiche con calibrazione interna o calibrazione esterna, tra cui il monitoraggio della potenza ricevuta, il monitoraggio della potenza trasmessa, il monitoraggio della corrente di polarizzazione, il monitoraggio della tensione di alimentazione e il monitoraggio della temperatura.

Il campo dati specifico della mappa della memoria diagnostica digitale è definito come segue.

16G FC DWDM SFP+ Transceiver

Descrizioni dei pin

16G FC DWDM SFP+ Transceiver

SFP+ 40KM DWDM Transceiver

Note:

Sequenza di inserimento dei pin: sequenza di inserimento dei pin durante l'hot plugging.

1) TX Fault è un'uscita open collector, che deve essere portata a una tensione compresa tra 2,0 V e Vcc+0,3 V tramite una resistenza da 4,7 kΩ~10 kΩ sulla scheda host. Il valore logico 0 indica il normale funzionamento; il valore logico 1 indica un guasto al laser. Nello stato basso, l'uscita verrà portata a meno di 0,8 V.

2) Uscita laser disabilitata su TDIS >2,0 V o aperta, abilitata su TDIS <0,8 V.

3) LOS è un'uscita a collettore aperto. Deve essere tirata su con un resistore da 4,7kΩ a 10kΩ sulla scheda host a una tensione compresa tra 2,0V e 3,6V. Il valore logico 0 indica il funzionamento normale; il valore logico 1 indica la perdita di segnale.

4) RD-/+: Queste sono le uscite differenziali del ricevitore. Sono 100 linee differenziali accoppiate internamente in CA che devono essere terminate con 100Ω (differenziali) sul SERDES dell'utente.

5) TD-/+: Questi sono gli ingressi differenziali del trasmettitore. Sono linee differenziali accoppiate internamente in CA con terminazione differenziale da 100Ω all'interno del modulo.

Circuito di interfaccia consigliato

SFP+ 40KM DWDM Transceiver

Dimensioni meccaniche

16g DWDM 40km transceiver

Informazioni per l'ordine

RSPD-16GD40-CXX XX: lunghezza d'onda della griglia ITU 100GHZ

16g DWDM 40km transceiver 16g DWDM 40km transceiver

Vuoi saperne di più su questo prodotto?

INVIA UN Messaggio
lasciate un messaggio

Se .Sei interessato ai nostri prodotti e vuoi sapere più dettagli, ti preghiamo di lasciare un messaggio qui, ti risponderemo non appena saremo

Prodotti correlati
SFP+ 16G DWDM 20KM Transceiver Ricetrasmettitore ottico SFP + 16G C17-C61 DWDM 20KM DDM
caratteristiche del prodotto Supporta velocità in bit fino a 14,025 Gbps Ingombro SFP+ hot plug ITU da 100 GHz, laser EML raffreddato DWDM in banda C e fotodiodo PIN, fino a 20 km per la trasmissione SMF Conforme a SFP+ MSA e SFF-8472 con presa LC duplex Compatibile con RoHS Alimentazione singola +3,3V Monitoraggio diagnostico digitale in tempo reale Temperatura della custodia operativa: Standard: da 0 a +70°C Applicazioni Canale in fibra 4.25/8.5/14.025G Altri collegamenti ottici
 4-Optical 16-Electric POE Gigabit Industrial Switch FW1016GPS-4F . Switch industriale Gigabit POE 4-ottico 16-elettrico FW1016GPS-4F
16 porte RJ45 10/100/1000 Mbps + 4 porte Gigabit SFP (uplink) FW1016GPS-4F è uno switch POE industriale a gestione full gigabit, che fornisce porte POE da 16 gigabit e porte ottiche da 4 gigabit. Prestazioni di protezione EMC di grado industriale 4; Scocca in alluminio ondulato ad alta resistenza, grado IP40, design a basso consumo energetico, installazione di binari di guida antisismici, temperatura di esercizio di - 40 ℃ - 75 ℃, può lavorare in ambienti difficili. FW1016GPS-4F supporta anche ricche funzioni di gestione della rete: RUN Ring (tempo di autoguarigione <10 ms). Forte capacità di elaborazione aziendale, che supporta 802.1Q VLAN, MAC VLAN, IP VLAN e gli utenti possono dividere in modo flessibile le VLAN secondo necessità; Supporta lo snooping IGMP v1/v2/v3, lo snooping MLD v1/v2 e soddisfa i requisiti della videosorveglianza multiterminale ad alta definizione o della videoconferenza. Può fornire agli utenti un meccanismo di autenticazione di sicurezza completo e supportare IEEE 802.1x, Radius, Tacacs+, ecc.; Supporta la protezione ARP, la protezione dell'origine IP e la protezione DoS. Con la perfetta funzione di alimentazione POE, ogni porta POE può fornire fino a 30 W di potenza, supportare lo standard 802.3af/at e incorporare un alimentatore ad alta potenza per soddisfare i requisiti di monitoraggio della sicurezza, copertura wireless, telefono IP e altri scenari POE .
Splitter PLC 2X32 SC/APC 1U Rack Splitter PLC 2X32 SC/APC 1U Rack 440*200*44mm
Applicazioni Sistemi FTTx Reti LAN, WAN e Metro Reti ottiche passive analogiche/digitali Reti CATV Altre applicazioni nei sistemi in fibra ottica
 SFP56 50G 1310nm LR 10KM DDM Transceiver . Ricetrasmettitore SFP56 50G 1310nm LR 10KM DDM
RSFP56-50G-LR è un transceiver SFP56 da 50 Gb/s basato su laser DFB da 1310 nm. È progettato per trasmettere e ricevere dati ottici fino a 10 km su fibra monomodale. Il transceiver è conforme agli standard SFF-8472, SFF-8402, SFF-8432 e alle porzioni applicabili dello standard SFF-8431. Le funzioni di diagnostica digitale sono disponibili tramite un'interfaccia seriale a 2 fili, come specificato nello standard SFF-8472.
PLC 2.0MM 1.0M Fiber DIN Mounting Box Scatola di montaggio DIN in fibra 1x8 PLC SC/UPC 2,0 mm 1,0 m 120*110*20 mm
I PLC di Fiberwdm sono sviluppati sulla base di un esclusivo processo di guida d'onda in vetro di silice con un affidabile pigtail in fibra ottica allineato con precisione in un package miniaturizzato, offrendo una soluzione di distribuzione della luce a basso costo con un fattore di forma ridotto e un'elevata affidabilità. I dispositivi PLC offrono elevate prestazioni in termini di bassa perdita di inserzione, bassa PDL, elevata perdita di ritorno ed eccellente uniformità su un'ampia gamma di lunghezze d'onda da 1260 nm a 1620 nm e funzionano a temperature comprese tra -40 ℃ e +85 ℃. I dispositivi PLC sono disponibili nelle configurazioni standard 1*4, 1*8, 1*16 e 1*32, nonché in configurazioni personalizzate 2*8, 2*16, 2*32 e 2*64.
5CH WDM GPON XGS-PON 50G-PON RF Video And OTDR Plug-in LGX Box 5CH WDM GPON XGS-PON 50G-PON RF Video e OTDR Plug-in LGX Box 215*150*20MM
Nell'ambito della trasformazione digitale, la domanda di reti di comunicazione ad alta velocità, affidabili e flessibili è senza precedenti. Le reti ottiche passive (PON) sono il fulcro delle moderne infrastrutture di comunicazione e supportano applicazioni che spaziano dalla banda larga domestica alle reti aziendali. Per soddisfare le crescenti esigenze di larghezza di banda e garantire implementazioni a prova di futuro, l'integrazione di 5CH WDM con le tecnologie GPON, XGS-PON, 50G-PON, RF Video e OTDR offre una soluzione completa che massimizza l'utilizzo della fibra e migliora le capacità di servizio.
100G ZR QSFP28 Ricetrasmettitore ottico coerente digitale QSFP28 ZR 100G
Il transceiver 100G QSFP28 Digital Coherent Optics (DCO) supporta la trasmissione 100G su fibra monomodale standard (SMF) fino a 80 km, con rilevamento coerente dei segnali modulati QAM. L'interfaccia elettrica supporta specificamente 100GE con applicazione SM - 100G - FEC. Sul lato ottico, le specifiche ottiche sono allineate allo standard IEEE 802.3bm 100GBASE-ZR(28) e ITU-T G.698.2 OWDM-IBA2(CF)/DW100-IBA2(CF), che definiscono un formato di modulazione QPSK differenziale a doppia polarizzazione da 2 a 95 GBd. Il modulo è disponibile sia in versione per temperature commerciali (da 0°C a 70°C) che industriali (da -40°C a 85°C), con configurazione opzionale per supportare la lunghezza d'onda laser dell'oscillatore flessibile sintonizzabile e la dissipazione di potenza del ricetrasmettitore inferiore a 6,0 W. L'"automatico" locale è in banda C completa. Il modulo transceiver è conforme alle specifiche per la soluzione transceiver QSFP+ 28 Gb/s 4X Pluggable (QSFP28) e alle specifiche ivi menzionate. Il transceiver è conforme alla direttiva RoHS e senza piombo, in conformità alla direttiva 2011/65/UE.
Mechanical Fiber Optical Switch Interruttore ottico 1X8 900-1700nm 300um
Caratteristiche Basse perdite e alta affidabilità Interfaccia seriale (RS-232)  Design modulare Esente da sostanze epossidiche sul percorso ottico Applicazioni Rete ad anello Monitoraggio remoto nella rete ottica Test del componente in fibra ottica
lasciate un messaggio
lasciate un messaggio
Se .Sei interessato ai nostri prodotti e vuoi sapere più dettagli, ti preghiamo di lasciare un messaggio qui, ti risponderemo non appena saremo

Casa

Prodotti

Di

contatto